你的位置:首页 > 新闻动态 > 企业公告

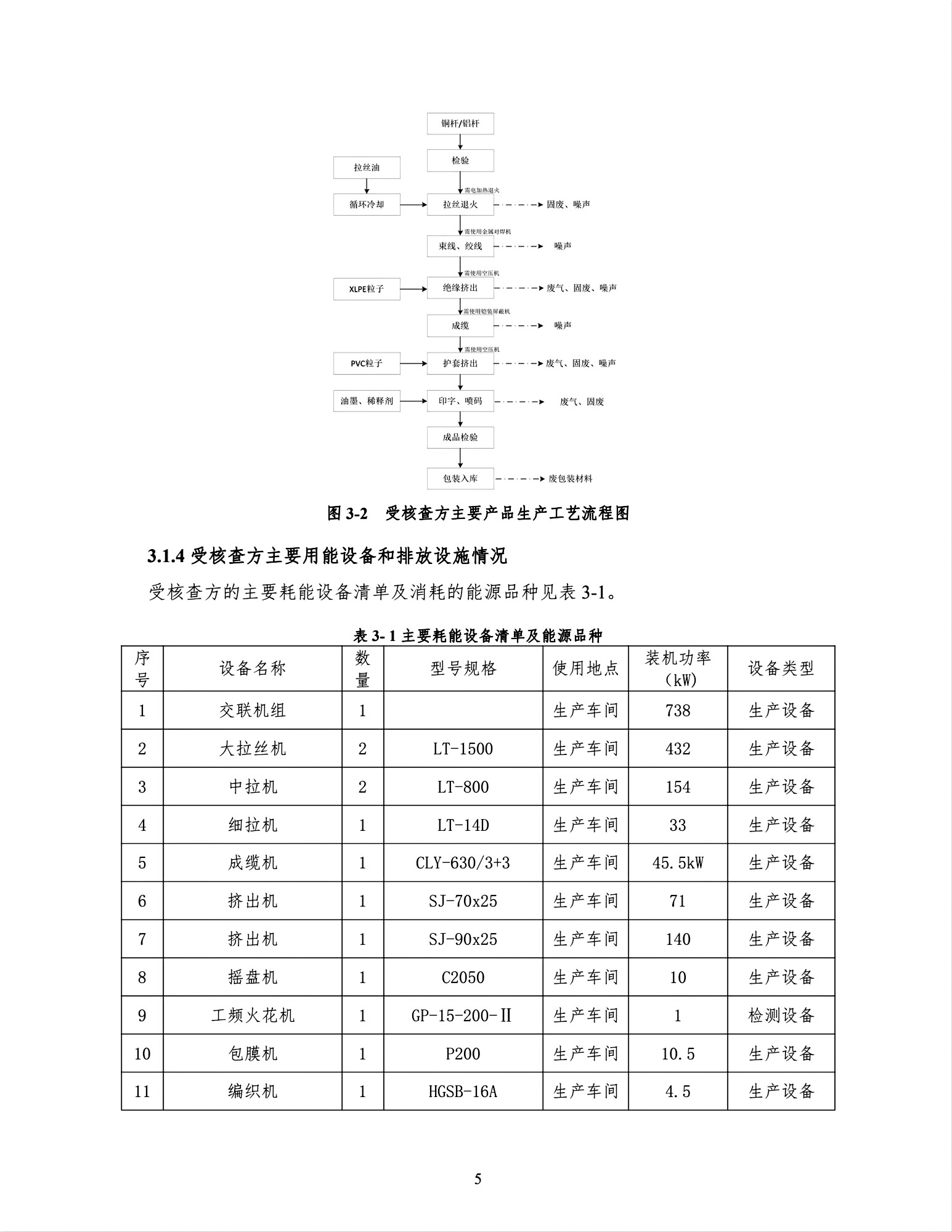
越光电缆2023年度碳排放核查报告

2024/5/20 15:56:57      点击: